ePohony

KIT H30/645 - Pohon pre posuvné brány do 600kg

Súprava pohonu pre posuvné brány

  • Doprava zadarmo
Kód produktu KIT H30/645
Hmotnosť 12 kg
Výrobca Roger Technology

Pohon pre posuvné brány do 600kg

Viac informácií

375,60 €
313 € bez DPH

Predaj ukončený

Príslušenstvo

Originál sada pohonu od ROGER Technology pre posuvnú bránu do 600kg s originálnym príslušenstvom.

Vlastnosti pohonu:

     mechanický koncový spínač
     možnosť nastavenia automatického zatvorenia alebo krok - krok- funkcia spomaľuje na konci dráhy pohonu
     priechod pre peších
     možnosť pripojenia osvetlenia a ovládania druhým kanálom ovládača, alebo časovačom zabudovaným v riadiacej jednotke
     Enkodér neustále pri pohybe kontroluje pozíciu a rýchlosť brány. Pokiaľ zistí nejakú prekážku, bránu zastaví.

Riadiaca jednotka pohonu disponuje štatistiky:

     počet hodín behu motora
     počet vykonaných cyklov
     počet zapnutí riadiacej jednotky v jeden deň

Súprava pohonu obsahuje:

  • 1x H30/643 pohon ROGER 230V
  • 1x riadiaca jednotka v pohone
  • 2x E80/TX52R/2 diaľkový ovládač pohonu
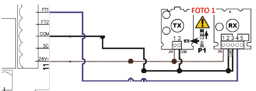
  • 1x R90/F2ES bezpečnostné fotobunky
  • 1x H93 zásuvný prijímač
  • 1x FIFTHY/230 Maják vstavanou anténa
  • 2ks odblokovací kľúč
  • 1x výstražná ceduľa "ROGER Automatic opening"
  • kotevná doska
  • kotvy do betónu na ukotvenie kotevnej dosky pohonu
  • dojazdové lyžiny pre koncový spínač

Jedná sa o kvalitný pohon od talianskeho výrobcu, ktorý má dlhoročnú skúsenosť s výrobou kvalitných pohonov pre vráta a brány. Telo pohonu je vyrobené zo zliatiny, ktorá vykazuje dlhodobú životnosť a odolnosť voči poveternostným vplyvom, tohto pohonu brán a brán. Všetky prevodové časti pohonu sú kovové.

Napájanie : 230V AC
Výkon : 240W
Max. sila : 300N
Frekvencia použitia: 50%
Pracovné teploty: -20+55°C
Stupeň krytia: IP43
Rýchlosť: 9.5m/min
Max hmotnosť brány 600 Kg
Maximálne rozmery produktu v mm: L315x W165x H329
Encodér Optický
Teplotná poistka motora 150°C
Koncové spínače Mechanický
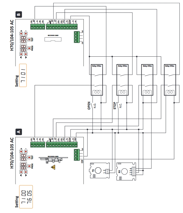
Riadiaca jednotka H70/104AC
Hmotnosť
12 kg

Alternatívne produkty

Už 19 rokov predaja kvalitných pohonov
Neviete si rady? Využite náš zákaznícky servis
V prípade záujmu zaistíme
odbornú montáž